 |
| 双路蓄能器充液阀 |
MICO 双路蓄能器充液阀的功能与单路充液阀本质上相同,但双路充液阀可以用于分开式液压制动系统,可以对每个桥实行分别控制。双路充液阀可以给两个蓄能器充液。它的主要优点是,当其中的一部分出现故障时,另一部分制动系统继续正常工作。
双路充液阀根据需要及预设充液速度和最大压力通过开式回路为蓄能器供油。其他充液速度和压力可根据要求提供。
MICO也可根据您的需要提供整套的压力开关。 |
|
特征:
使用主液压系统产生的动力 可以在距离制动阀较远的位置安装 快速作用控制部分加快了泵的卸荷 只有极少量的油液通过T口回油箱,大大提高了工作效率 上下限压力间的变化范围很大,有效减少了泵的工作循环次数 设计适应于泵流量变化的车辆设备 压力开关口可以感受到两个蓄能器中较低的压力 旁通流量可达到113 L/min(30 GPM)
典型回路图:

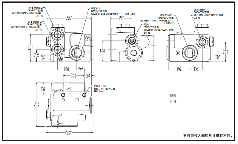
典型充液阀:

技术参数:

性能参数:
系统压力 . . . . . . . . . . . . . . . . . . . . . . . . . . . . . . . . . 至206.8 bar(3000 PSI) 去其他动力系统的流量 . . . . . . . . . . . . . . . . . . . . . . . . 7.5至113 L/min(2-30 GPM) 流通压降 . . . . . . . . . . . . . . . . . . .流量为56.8 L/min时为5 bar(流量为15 GPM时为70 PSI) 蓄能器容量取决于制动管路压力、排量和失去动力后紧急制动的次数。 |
|
|